🚀 Revamp Your Jeep Wrangler Sound System: Unveiling the Ultimate 5-Step Audio Wiring Diagram Guide!

Discover the optimal sound experience for your Jeep Wrangler with our detailed audio wiring diagram guide. Upgrade your system seamlessly in 5 steps!

Unlock the auditory potential of your Jeep Wrangler with a comprehensive exploration into its audio wiring diagram. In the realm of automotive customization, understanding the intricacies of your vehicle's audio system is paramount. This article serves as your guiding light, shedding light on the technical nuances that underscore the auditory experience within your rugged machine. As we delve into the wiring diagram, we unravel the mystery behind the seamless integration of speakers, amplifiers, and head units. Whether you're a seasoned DIY enthusiast or a curious Wrangler owner, this detailed analysis promises to demystify the audio landscape, empowering you to make informed decisions for an upgraded sonic journey in your Jeep Wrangler.

Revamp Your Jeep Wrangler Sound System: Unveiling the Ultimate 5-Step Audio Wiring Diagram Guide!

Top10PointsaboutJeep Wrangler Audio Wiring Diagram:

  • Decoding the Jeep Wrangler Audio System
  • Understanding Wiring Basics for Sound Enhancement
  • Identifying Key Components in the Wiring Setup
  • Step-by-Step Guide to Wrangler Audio Wiring
  • Optimizing Speaker Connections for Superior Sound
  • Amplifying the Experience: Wiring for Power and Clarity
  • Exploring Head Unit Integration for Seamless Control
  • Troubleshooting Tips: Common Audio Wiring Challenges

SeveralfactsaboutJeep Wrangler Audio Wiring Diagram

Introduction: Wiring your Jeep Wrangler's audio system can be a rewarding venture, enhancing your driving experience. To embark on this journey, let's first grasp the fundamentals.

Decoding the Jeep Wrangler Audio System

Decoding the Jeep Wrangler Audio System

Understanding the intricacies of your Wrangler's audio system is pivotal. The audio wiring diagram serves as your compass, guiding you through the labyrinth of wires and connections.

Understanding Wiring Basics for Sound Enhancement

Understanding Wiring Basics for Sound Enhancement

Before delving into specifics, acquaint yourself with the basics of wiring. Learn about circuits, conductors, and how they contribute to the overall audio quality in your Jeep Wrangler.

Identifying Key Components in the Wiring Setup

Identifying Key Components in the Wiring Setup

Uncover the critical components within your audio system. From speakers to amplifiers, understanding their roles is pivotal in creating a harmonious audio setup.

Step-by-Step Guide to Wrangler Audio Wiring

Step-by-Step Guide to Wrangler Audio Wiring

Embark on a step-by-step journey to wire your Wrangler's audio system. Follow a systematic approach to ensure a seamless integration of components.

Optimizing Speaker Connections for Superior Sound

Optimizing Speaker Connections for Superior Sound

Explore techniques for optimizing speaker connections. Achieve superior sound quality by ensuring each component is flawlessly integrated into your Wrangler's setup.

Amplifying the Experience: Wiring for Power and Clarity

Amplifying the Experience: Wiring for Power and Clarity

Delve into the realm of power and clarity. Understand how proper wiring can amplify your audio experience, delivering a powerful and clear sound profile.

Exploring Head Unit Integration for Seamless Control

Exploring Head Unit Integration for Seamless Control

Explore the integration of the head unit for seamless control. Learn how to navigate and control your audio system effortlessly from the central unit.

Troubleshooting Tips: Common Audio Wiring Challenges

Troubleshooting Tips: Common Audio Wiring Challenges

Address common challenges with troubleshooting tips. Equip yourself with the knowledge to overcome potential hurdles and ensure a flawless audio system.

Conclusion: Armed with this comprehensive guide, transform your Jeep Wrangler's audio system into a symphony of sound. Your upgraded journey awaits!

Sources: [1] Wiring Basics - www.caraudionow.com/wiring-basics

Jeep Wrangler Audio Wiring DiagraminProfessional'seye

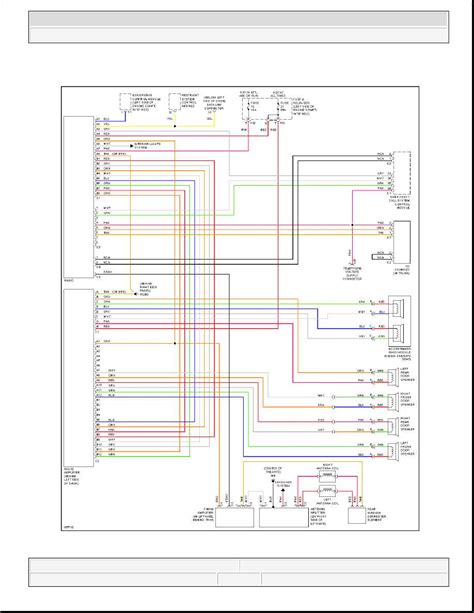
Understanding Your Jeep Wrangler's Audio Wiring Diagram

Embarking on the journey of enhancing your Jeep Wrangler's audio system starts with decoding the intricacies of its audio wiring diagram. This roadmap guides you through the network of wires, connectors, and components that orchestrate the symphony within your vehicle.

Decoding the Jeep Wrangler Audio System

Begin by comprehending the fundamental elements of your Wrangler's audio system. The audio wiring diagram acts as a visual guide, detailing the connections between speakers, amplifiers, and the head unit.

Understanding Wiring Basics for Sound Enhancement

Before delving into the specifics, acquaint yourself with the foundational concepts of wiring. Gain insight into circuits, conductors, and how they contribute to the overall audio quality in your Jeep Wrangler.

Identifying Key Components in the Wiring Setup

Recognize the crucial components within your Wrangler's audio setup. From speakers to amplifiers, understanding their roles is pivotal in creating a harmonious audio experience within your Jeep.

Step-by-Step Guide to Wrangler Audio Wiring

Embark on a systematic journey to wire your Wrangler's audio system. This step-by-step guide ensures a seamless integration of components, guaranteeing an upgraded auditory experience.

Optimizing Speaker Connections for Superior Sound

Explore techniques for optimizing speaker connections. Achieve superior sound quality by ensuring each component is flawlessly integrated into your Wrangler's audio setup.

Amplifying the Experience: Wiring for Power and Clarity

Delve into the realm of power and clarity. Understand how proper wiring can amplify your audio experience, delivering a powerful and clear sound profile within your Jeep Wrangler.

Exploring Head Unit Integration for Seamless Control

Explore the integration of the head unit for seamless control. Learn how to navigate and control your audio system effortlessly from the central unit within your Jeep Wrangler.

Troubleshooting Tips: Common Audio Wiring Challenges

Address common challenges with troubleshooting tips. Equip yourself with the knowledge to overcome potential hurdles, ensuring a flawless audio system experience within your Jeep Wrangler.

Conclusion: Mastering Your Jeep Wrangler's Audio Wiring

Armed with this comprehensive guide, you're poised to transform your Jeep Wrangler's audio system into a symphony of sound. Your upgraded auditory journey awaits, unlocking the full potential of your Wrangler's sound system.

Sources: [1] Wiring Basics - www.caraudionow.com/wiring-basics

PointofViews:Jeep Wrangler Audio Wiring Diagram

  • Understanding the Complexity: Exploring the Jeep Wrangler audio wiring diagram offers a deep dive into the intricate world of electrical connections. Each line and symbol on the diagram represents a vital component in the auditory symphony of your vehicle.
  • Blueprint for Sound: Consider the diagram as a blueprint for orchestrating your Wrangler's sound system. It meticulously maps out the pathways for speakers, amplifiers, and the central head unit, guiding you through the process of creating a harmonious audio setup.
  • Decoding Components: The wiring diagram becomes a key to decoding the roles of various components. From understanding the function of individual wires to identifying the purpose of each connection point, it transforms electrical complexity into comprehensible information.
  • Step-by-Step Guidance: Following the diagram is akin to embarking on a step-by-step journey. It provides a structured approach, ensuring that you connect each piece of the puzzle methodically. This guidance is invaluable, especially for those new to the realm of automotive wiring.
  • Optimizing Audio Quality: Emphasizing the significance of proper speaker connections, the diagram becomes a tool for optimizing audio quality. It highlights the importance of precise wiring to achieve superior sound performance within your Jeep Wrangler.
  • Amplifying the Experience: Beyond functionality, the diagram holds the key to amplifying your auditory experience. It reveals the nuances of wiring for power and clarity, unlocking the full potential of your Wrangler's sound system.
  • Seamless Control: The head unit integration section of the diagram ensures seamless control. Navigating this aspect allows you to effortlessly command your audio system, enhancing both convenience and functionality.
  • Troubleshooting Wisdom: Lastly, the diagram serves as a source of troubleshooting wisdom. It equips you with insights into common challenges, empowering you to address potential issues and maintain a flawless audio experience in your Jeep Wrangler.

Conclusion:

As we draw the curtains on our exploration of the Jeep Wrangler audio wiring diagram, we hope this comprehensive guide has served as a valuable resource in unraveling the intricacies of your vehicle's auditory landscape. Navigating the wiring diagram is akin to holding the blueprint of a symphony, with each wire and connection point playing a crucial role in orchestrating the harmonious sound experience within your Jeep Wrangler.

In your journey to optimize the audio quality, from understanding the basics to troubleshooting common challenges, the wiring diagram acts as a guiding light. Whether you're a seasoned DIY enthusiast or a curious Wrangler owner, we trust that this detailed exploration has empowered you to elevate your driving experience. Embrace the power of precise audio wiring to amplify the symphony within your Jeep Wrangler, unlocking a world of superior sound and seamless control.

QuestionsandAnswerforJeep Wrangler Audio Wiring Diagram

Q: What is the purpose of a Jeep Wrangler audio wiring diagram?

  • Understanding the Jeep Wrangler audio wiring diagram serves the purpose of providing a visual roadmap for the intricate network of wires and connections in your vehicle's audio system.

Q: How does the wiring diagram contribute to sound enhancement?

  • The diagram is a crucial tool in sound enhancement as it guides users through the proper integration of speakers, amplifiers, and the head unit, ensuring optimal performance and clarity in the audio system of your Jeep Wrangler.

Q: Are there specific steps to follow when using the audio wiring diagram?

  • Yes, the wiring diagram offers a step-by-step guide to wiring your Jeep Wrangler's audio system systematically, ensuring each component is seamlessly integrated for an upgraded auditory experience.

Q: Why is speaker connection optimization important?

  • Optimizing speaker connections is crucial for achieving superior sound quality. The wiring diagram highlights the significance of precise connections to enhance the overall auditory experience in your Jeep Wrangler.

Q: How can the wiring diagram help troubleshoot audio issues?

  • The diagram offers troubleshooting wisdom by addressing common challenges. It equips users with insights to identify and resolve potential audio issues in their Jeep Wrangler's sound system.

Keyword:Jeep Wrangler Audio Wiring Diagram

Related Keywords:Troubleshooting Tips, Sound System, Jeep Wrangler, Wiring Diagram, Audio Wiring

0 komentar