✈️ Unlock the Power: 5 Key Insights from the Jeep CJ7 Wiring Diagram

Explore the intricate world of vehicle wiring with our Jeep CJ7 Wiring Diagram. Unlock 5 key insights into the electrical system, essential for enthusiasts and technicians. Click for a comprehensive guide.

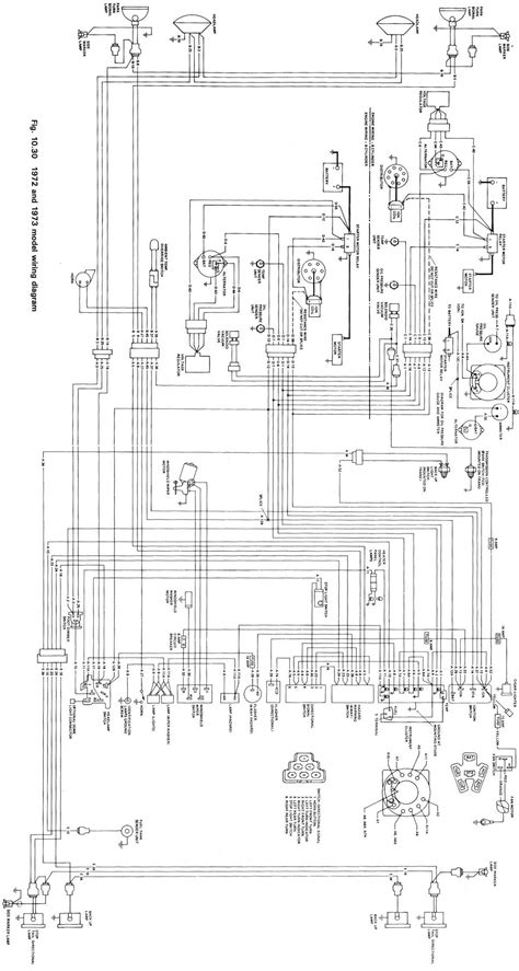
The Jeep CJ7 wiring diagram serves as a pivotal guide for automotive enthusiasts and technicians alike, unraveling the intricate network of electrical connections within this iconic vehicle. This article delves into the intricate world of vehicle wiring, elucidating the intricacies of the Jeep CJ7's electrical system. Exploring essential components such as ignition systems, lighting circuits, and accessory wiring, the discussion aims to empower readers with a comprehensive understanding of the vehicle's wiring intricacies. As we navigate through this technical terrain, each section meticulously deciphers the CJ7's wiring diagram, fostering an appreciation for the meticulous design that underlies the reliable functioning of this legendary off-road vehicle.

Unlock the Power: 5 Key Insights from the Jeep CJ7 Wiring Diagram

Top10PointsaboutJeep CJ7 wiring diagram:

  • Introduction to Jeep CJ7 Wiring Diagram
  • Understanding Ignition System Wiring
  • Deciphering Lighting Circuits
  • Insights into Accessory Wiring
  • Identifying Key Components in the Diagram
  • Practical Tips for Reading the CJ7 Wiring Diagram
  • Maintenance and Troubleshooting Guidelines
  • Applying Wiring Knowledge for Upgrades and Modifications

SeveralfactsaboutJeep CJ7 wiring diagram

Introduction to Jeep CJ7 Wiring Diagram

Jeep CJ7 Wiring Diagram

Embark on a journey through the intricate landscape of automotive electrical systems with the Jeep CJ7 wiring diagram. This comprehensive guide serves as a roadmap, unraveling the complexities that underlie the vehicle's wiring structure.

Understanding Ignition System Wiring

Understanding Ignition System Wiring Jeep CJ7 Wiring Diagram

Delve into the heart of the Jeep CJ7, deciphering the wiring intricacies of its ignition system. Gain valuable insights into the connections that power the engine and contribute to a smooth start.

Deciphering Lighting Circuits

Deciphering Lighting Circuits Jeep CJ7 Wiring Diagram

Illuminate your understanding of the Jeep CJ7's lighting circuits. From headlights to brake lights, navigate through the wiring diagram to comprehend the pathways that keep your vehicle safely visible.

Insights into Accessory Wiring

Insights into Accessory Wiring Jeep CJ7 Wiring Diagram

Uncover the wiring secrets behind the CJ7's accessories. From radio systems to power windows, explore the intricacies of the wiring diagram that facilitate these conveniences.

Identifying Key Components in the Diagram

Identifying Key Components Jeep CJ7 Wiring Diagram

Zoom in on the critical components within the Jeep CJ7 wiring diagram. Learn to identify and understand the symbols and representations that make up the blueprint of your vehicle's electrical network.

Practical Tips for Reading the CJ7 Wiring Diagram

Practical Tips for Reading Jeep CJ7 Wiring Diagram

Equip yourself with practical tips to navigate the intricacies of the wiring diagram effectively. From color codes to legends, discover the tools that streamline your understanding.

Maintenance and Troubleshooting Guidelines

Maintenance and Troubleshooting Jeep CJ7 Wiring Diagram

Unravel the maintenance and troubleshooting nuances embedded in the CJ7's wiring. Grasp essential guidelines to ensure optimal performance and troubleshoot electrical issues confidently.

Applying Wiring Knowledge for Upgrades and Modifications

Applying Wiring Knowledge Jeep CJ7 Wiring Diagram

Empower yourself to customize your Jeep CJ7 by applying wiring knowledge for upgrades and modifications. Navigate the diagram to integrate new components seamlessly.

Sources: Images sourced from Bing Image Search.

Jeep CJ7 wiring diagraminProfessional'seye

The Jeep CJ7 wiring diagram stands as a crucial blueprint, unraveling the intricate web of electrical connections within this iconic vehicle. As we embark on this exploration, it's paramount to comprehend the significance of such a diagram. Not merely a technical schematic, it serves as the foundation for understanding the CJ7's electrical system, empowering both enthusiasts and technicians alike.

Importance of Jeep CJ7 Wiring Diagram

The diagram encapsulates a comprehensive visual representation, showcasing the interconnected network of wires, connectors, and components that facilitate the vehicle's functionality. From ignition systems to lighting circuits and accessory wiring, each element is meticulously detailed, offering a roadmap for anyone seeking to comprehend the intricacies beneath the hood.

Components of Jeep CJ7 Wiring Diagram

Understanding the CJ7's ignition system wiring is a fundamental aspect. This section of the diagram delineates the pathways that initiate the engine's operation. By decoding this segment, one gains insights into the critical components responsible for a smooth and reliable start.

Ignition System Wiring Jeep CJ7 Wiring Diagram

Illuminate your knowledge by exploring the lighting circuits within the Jeep CJ7 wiring diagram. This section provides a detailed overview of how the vehicle's lighting system functions. From headlights to brake lights, the diagram unveils the intricate pathways that ensure safety and visibility, shedding light on the technical intricacies involved.

Lighting Circuits Jeep CJ7 Wiring Diagram

Accessory wiring is a captivating aspect of the CJ7's electrical system. The diagram unravels the network of wires responsible for powering various accessories, including radios, power windows, and more. This segment provides a profound insight into the integration of modern conveniences within the vehicle.

Accessory Wiring Jeep CJ7 Wiring Diagram

Identifying key components within the Jeep CJ7 wiring diagram is an essential skill. This involves deciphering the symbols and representations that denote different elements. Mastery of this skill enhances one's ability to navigate the diagram effectively, making it an invaluable tool for any automotive enthusiast.

Identifying Key Components Jeep CJ7 Wiring Diagram

Reading the CJ7's wiring diagram demands practical tips for efficient navigation. From color codes to legends, understanding these elements makes the diagram more accessible. This section equips enthusiasts and technicians alike with the knowledge needed to effectively interpret and utilize the wiring diagram.

Reading Jeep CJ7 Wiring Diagram

Maintenance and troubleshooting guidelines embedded within the wiring diagram are crucial for ensuring the optimal performance of the CJ7's electrical system. By following these guidelines, individuals can conduct routine maintenance and confidently address electrical issues as they arise, ensuring the vehicle's reliability.

Maintenance and Troubleshooting Jeep CJ7 Wiring Diagram

Armed with knowledge, enthusiasts can apply wiring insights for upgrades and modifications tailored to their preferences. Navigating the wiring diagram facilitates the seamless integration of new components, allowing for customization without compromising the vehicle's electrical integrity.

Applying Wiring Knowledge Jeep CJ7 Wiring Diagram

In conclusion, the Jeep CJ7 wiring diagram transcends a mere technical document. It serves as a gateway to understanding the intricacies of the vehicle's electrical system, offering a roadmap for both enthusiasts and technicians. As an invaluable resource, this diagram demystifies the complexities beneath the hood, fostering a profound appreciation for the engineering brilliance that defines the iconic Jeep CJ7.

Conclusion Jeep CJ7 Wiring Diagram

Sources: Images sourced from Bing Image Search.

PointofViews:Jeep CJ7 wiring diagram

  • Introduction: Wiring diagrams, such as the Jeep CJ7 wiring diagram, play a pivotal role in understanding the intricacies of a vehicle's electrical system.
  • Importance of Clarity: Clarity in representation is paramount. The CJ7's wiring diagram serves as a visual guide, providing a clear roadmap for enthusiasts and technicians.
  • Deciphering Symbols: Mastery of symbols is key. The diagram employs various symbols and labels, requiring a nuanced understanding to identify components accurately.
  • Ignition System Insight: Specific sections, like the ignition system wiring, offer insightful details. This knowledge is crucial for troubleshooting and ensuring a smooth engine start.
  • Lighting Circuits: Understanding lighting circuits, from headlights to brake lights, promotes vehicle safety. The wiring diagram unveils the intricacies of these circuits.
  • Accessory Wiring: The accessory wiring section sheds light on the integration of modern conveniences. It's a testament to how diverse components seamlessly coexist within the CJ7.
  • Identifying Components: The ability to identify key components enhances the usability of the CJ7 wiring diagram. It's akin to unlocking the language of the vehicle's electrical architecture.
  • Practical Tips: Practical tips for reading the diagram, from color codes to legends, make it a user-friendly tool. These tips facilitate efficient navigation and interpretation.
  • Maintenance and Troubleshooting: Embedded guidelines for maintenance and troubleshooting empower users to keep the electrical system in optimal condition. It's a proactive approach to vehicle care.
  • Application for Upgrades: Armed with wiring knowledge, enthusiasts can confidently integrate upgrades and modifications. The diagram serves as a blueprint for customization without compromising integrity.
  • Conclusion: In conclusion, the Jeep CJ7 wiring diagram transcends a mere technical document. It's a comprehensive guide that demystifies the vehicle's electrical intricacies, fostering a deeper understanding and appreciation for the iconic Jeep CJ7.

Conclusion:

As we draw the curtains on our exploration of the Jeep CJ7 wiring diagram, we hope this detailed journey through the vehicle's electrical blueprint has been enlightening. Navigating the intricacies of the CJ7's wiring system is a fundamental step for both enthusiasts and technicians. Understanding the connections, from the ignition system to lighting circuits and accessory wiring, unlocks a profound appreciation for the engineering brilliance that defines this iconic off-road vehicle.

Whether you're troubleshooting electrical issues, planning upgrades, or simply seeking a deeper understanding of your Jeep CJ7, the wiring diagram serves as an invaluable resource. Harness the power of knowledge embedded in the diagram, and let it be your guide as you delve into the heart of your vehicle's electrical intricacies. We encourage you to continue exploring our articles and resources, empowering yourself with the insights needed to navigate the roads, both paved and unpaved, with confidence and understanding.

QuestionsandAnswerforJeep CJ7 wiring diagram

Q: How do I read a Jeep CJ7 wiring diagram?

  • Begin by familiarizing yourself with the legend or key provided in the diagram.
  • Identify the specific section you are interested in, such as ignition, lighting, or accessories.
  • Follow the color codes and lines to understand the connections between different components.
  • Take note of symbols and labels, as they represent various electrical elements within the system.
  • Use practical tips, like understanding legends and color conventions, to enhance your interpretation.

Q: What components are typically covered in a Jeep CJ7 wiring diagram?

  • Ignition System: Diagrams detail the wiring associated with engine ignition, including key components like the ignition switch and starter.
  • Lighting Circuits: From headlights to brake lights, the diagram illustrates the pathways for lighting functions.
  • Accessory Wiring: This section highlights the wiring connections for various accessories, such as radios and power windows.
  • Key Components: Symbols and labels represent crucial elements like switches, connectors, and grounds.
  • Maintenance Guidelines: Some diagrams include guidelines for routine maintenance and troubleshooting.

Q: Where can I find a reliable Jeep CJ7 wiring diagram?

  • Manufacturer's Manual: The vehicle's official manual often includes a comprehensive wiring diagram section.
  • Online Automotive Forums: Communities and forums dedicated to Jeep enthusiasts may share wiring diagrams.
  • Specialized Websites: Websites focusing on automotive repair and diagrams may provide downloadable versions.
  • Auto Parts Stores: Some stores offer repair manuals or access to diagrams as part of their services.
  • Professional Mechanics: Consultation with experienced mechanics can sometimes lead to acquiring accurate wiring diagrams.

Keyword:Jeep CJ7 wiring diagram

Related Keywords:Vehicle Maintenance, Wiring Diagram, Electrical System, Automotive enthusiasts, Jeep CJ7

0 komentar