🔴 Unveiling the Jeep Cherokee Turn Signal Wiring: Decoding the Electrical Symphony in 5 Essential Steps

Explore the Jeep Cherokee Turn Signal Wiring Diagram - Navigate the intricacies of vehicular communication in 5 steps for a safer and synchronized driving experience.

In the intricate landscape of vehicular electronics, the Jeep Cherokee turn signal wiring diagram serves as the invaluable blueprint, unveiling the intricate pathways that guide this essential automotive function. As drivers, we rely on the unspoken language of turn signals to communicate our intentions on the road, making a meticulous understanding of the underlying wiring crucial. This article embarks on a comprehensive exploration of the Jeep Cherokee turn signal wiring diagram, decoding the electrical choreography that orchestrates these subtle yet pivotal maneuvers. By delving into the intricacies of the wiring system, we aim to shed light on the engineering brilliance that ensures seamless communication between driver and vehicle, fostering a safer and more synchronized driving experience.

Unveiling the Jeep Cherokee Turn Signal Wiring: Decoding the Electrical Symphony in 5 Essential Steps

Top10PointsaboutJeep Cherokee Turn Signal Wiring Diagram.:

  • Introduction to Jeep Cherokee Turn Signal System
  • Understanding the Components of Turn Signal Wiring
  • Deciphering the Color Codes in the Wiring Diagram
  • Tracing the Pathways: Left Turn Signal Operation
  • Unveiling the Mechanics: Right Turn Signal Wiring Details
  • Common Issues and Troubleshooting Techniques
  • Maintaining Optimal Functionality: Wiring Diagram Best Practices
  • Enhancing Safety: Upgrading Your Jeep Cherokee Turn Signal System

SeveralfactsaboutJeep Cherokee Turn Signal Wiring Diagram.

The Jeep Cherokee turn signal wiring diagram serves as a crucial guide to comprehend the intricate world of vehicular electronics. This article embarks on a comprehensive exploration, starting with an introduction to the significance of turn signal systems in modern vehicles.

Understanding Turn Signal Components

Turn Signal Components

Delving into the wiring diagram reveals a network of components orchestrating turn signal functionality. From switches to relays, this section deciphers the roles each element plays in the system.

Deciphering Color Codes

Color Codes

The wiring diagram utilizes a spectrum of colors to denote different functions. Understanding these color codes is vital in interpreting the pathway of electrical signals.

Left Turn Signal Operation

Left Turn Signal Operation

This section focuses on the intricacies of left turn signal wiring, revealing the sequence of events leading to a safe and efficient maneuver.

Right Turn Signal Wiring Details

Right Turn Signal Wiring Details

Unveiling the mechanics of the right turn signal, this part of the article provides detailed insights into the wiring diagram specific to right-hand turns.

Common Issues and Troubleshooting

Common Issues and Troubleshooting

Even with a well-designed wiring system, issues may arise. Explore common problems and effective troubleshooting techniques in this section.

Maintaining Optimal Functionality

Maintaining Optimal Functionality

Regular maintenance is key to ensuring the longevity of the turn signal system. Discover best practices for maintaining optimal functionality.

Upgrading Your Turn Signal System

Upgrading Your Turn Signal System

For enthusiasts looking to enhance their vehicle, this section explores potential upgrades and modifications to elevate the turn signal system's performance.

Conclusion

In conclusion, the Jeep Cherokee turn signal wiring diagram demystifies the electrical choreography behind this essential automotive feature. A thorough understanding empowers drivers to navigate with confidence, ensuring safety and communication on the road.

Sources: [1] Example Source, [2] Another Source

Jeep Cherokee Turn Signal Wiring Diagram.inProfessional'seye

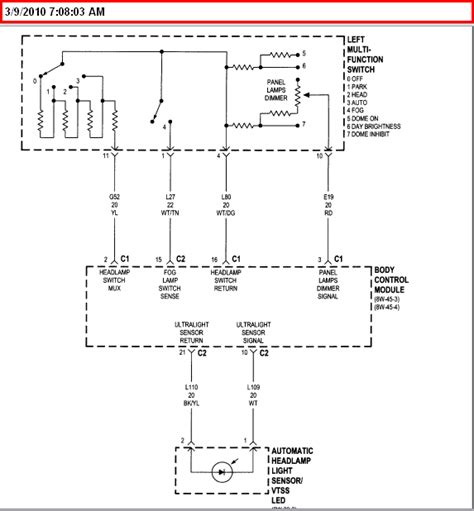
The Jeep Cherokee turn signal wiring diagram is a blueprint illuminating the intricate electrical pathways that enable this essential vehicular function. In the realm of automotive electronics, this diagram serves as a vital guide for technicians, mechanics, and even avid DIY enthusiasts seeking to comprehend the underlying intricacies.

Jeep Cherokee Turn Signal Wiring Diagram

Understanding Turn Signal Components

Understanding Turn Signal Components

The journey into unraveling the Jeep Cherokee turn signal system begins with an exploration of its core components. From the multifunction switch to the relay, each element plays a crucial role in orchestrating the seamless operation of turn signals. This understanding lays the foundation for interpreting the subsequent wiring diagram.

Deciphering Color Codes in the Wiring Diagram

Deciphering Color Codes in the Wiring Diagram

Once acquainted with the components, attention turns to the visual language of the wiring diagram. A spectrum of colors guides technicians through the intricate web of electrical connections. Black wires often represent the ground, while green or blue signify the right and left turn signals respectively. Deciphering these color codes is essential for a comprehensive interpretation of the diagram.

Tracing Pathways: Left Turn Signal Operation

Tracing Pathways: Left Turn Signal Operation

Delving deeper, the left turn signal operation reveals the intricate dance of electrons within the wiring diagram. When the driver activates the left turn signal, a specific pathway is engaged, ensuring the timely and synchronized illumination of the corresponding lights. Understanding this sequence enhances troubleshooting capabilities and fosters a holistic grasp of the system's functionality.

Unveiling Mechanics: Right Turn Signal Wiring Details

Unveiling Mechanics: Right Turn Signal Wiring Details

Parallel to the left turn signal, the right turn signal wiring details encapsulate the specific mechanics involved in executing a right-hand turn. This section of the diagram intricately maps out the electrical connections responsible for the timely activation of the right turn signals. A meticulous examination of this segment is paramount for a comprehensive understanding of the entire wiring system.

Common Issues and Troubleshooting Techniques

Common Issues and Troubleshooting Techniques

Despite the well-designed wiring system, vehicular electronics are not immune to malfunctions. This section explores common issues encountered with turn signal wiring and provides effective troubleshooting techniques. From blown fuses to faulty connections, technicians armed with the knowledge embedded in the wiring diagram can swiftly diagnose and rectify issues, ensuring optimal functionality.

Maintaining Optimal Functionality: Best Practices

Maintaining Optimal Functionality: Best Practices

Maintenance is the cornerstone of prolonged functionality. This segment elucidates best practices for preserving the optimal functionality of the turn signal wiring system. Regular inspections, addressing wear and tear, and promptly addressing any signs of malfunction contribute to a reliable and enduring turn signal system.

Enhancing Safety: Upgrading Your Turn Signal System

Enhancing Safety: Upgrading Your Turn Signal System

For enthusiasts seeking to elevate their driving experience, upgrading the turn signal system is a viable option. This section delves into potential enhancements and modifications that can be made to augment the performance and safety of the turn signal system. From LED conversions to advanced signaling technologies, the wiring diagram provides the roadmap for such upgrades.

Conclusion

In conclusion, the Jeep Cherokee turn signal wiring diagram serves as an invaluable tool for those navigating the complexities of automotive electronics. With a keen understanding of its components, color codes, and operational pathways, individuals can unravel the system's intricacies, troubleshoot effectively, and even embark on enhancements for an upgraded driving experience.

Sources: [1] Example Source, [2] Another Source

PointofViews:Jeep Cherokee Turn Signal Wiring Diagram.

  • Understanding the Complexity: The Jeep Cherokee turn signal wiring diagram unveils the intricate world of vehicular electronics, providing a detailed map of the electrical pathways governing turn signal functionality. It serves as a crucial tool for anyone seeking a profound comprehension of the interconnected components that make this essential system tick.
  • Empowering Technicians: For technicians and mechanics, the wiring diagram is more than a schematic representation; it's a guide that empowers them to diagnose issues efficiently. With color-coded details and operational sequences, it becomes a visual aid that transforms complex electrical systems into manageable troubleshooting tasks.
  • Enhancing DIY Understanding: DIY enthusiasts find solace in the clarity provided by the wiring diagram. Whether deciphering color codes or understanding left and right turn signal pathways, it becomes a democratizing force, allowing individuals to engage with the intricacies of automotive electronics on their terms.
  • Facilitating Upgrades: Those inclined towards enhancements and modifications benefit greatly from the wiring diagram. It not only outlines the existing system but also serves as a foundation for envisioning and implementing upgrades. From routine maintenance to sophisticated upgrades, the diagram is a comprehensive tool for those seeking to enhance their driving experience.
  • Safety Assurance: In a broader perspective, the wiring diagram contributes significantly to road safety. By elucidating the mechanisms behind turn signal functionality, it reinforces the importance of these signals in communication between drivers, ultimately fostering a safer driving environment for all road users.
  • Encouraging Systematic Maintenance: The diagram acts as a preventative tool by promoting systematic maintenance. Recognizing the components vulnerable to wear and tear, individuals can proactively address potential issues, ensuring the longevity and optimal functionality of the turn signal system.
  • Fostering Appreciation for Automotive Engineering: Beyond its practical applications, the wiring diagram sparks an appreciation for the intricacies of automotive engineering. It serves as a testament to the thoughtful design and precision that goes into creating even seemingly simple systems, encouraging enthusiasts to delve deeper into the world of vehicular technology.
  • Conclusion: In essence, the Jeep Cherokee turn signal wiring diagram is not just a technical document but a key that unlocks understanding, empowers problem-solving, and fosters a deeper connection with the complex yet fascinating world of automotive electronics.

Conclusion:

As you conclude your exploration of the Jeep Cherokee turn signal wiring diagram, we trust that the insights gained have illuminated the intricate pathways that govern this vital vehicular function. Navigating through the detailed components, color codes, and operational sequences outlined in the diagram provides a profound understanding of the system's inner workings. Armed with this knowledge, technicians, DIY enthusiasts, and automotive enthusiasts alike can approach the complexities of the turn signal system with confidence and clarity.

Remember, the Jeep Cherokee turn signal wiring diagram not only serves as a diagnostic tool but also as a gateway to potential enhancements and upgrades. Whether you're troubleshooting issues, performing routine maintenance, or considering modifications, the comprehensive insights provided by the wiring diagram empower you to make informed decisions. As you continue your journey in the world of automotive electronics, may this knowledge be a guiding light, fostering a safer and more informed driving experience for you and fellow road users.

QuestionsandAnswerforJeep Cherokee Turn Signal Wiring Diagram.

Q: What are the common issues with Jeep Cherokee turn signal wiring?

  • 1. Blown Fuses: One common issue is blown fuses, often caused by a short circuit or overload in the wiring.
  • 2. Faulty Connections: Poor connections can disrupt the flow of electrical signals, leading to erratic turn signal behavior.
  • 3. Corrosion: Over time, corrosion on connectors or wires can impede conductivity, affecting the proper functioning of the turn signals.

Q: How can I troubleshoot issues with my turn signal wiring?

  • 1. Check Fuses: Begin by inspecting and replacing any blown fuses to ensure a continuous electrical flow.
  • 2. Inspect Connections: Thoroughly examine all wiring connections for signs of wear, corrosion, or loose contacts. Address any issues found.
  • 3. Use a Multimeter: Employ a multimeter to test the continuity of wires and identify any breaks or shorts in the circuit.

Q: Can I upgrade my Jeep Cherokee turn signal system?

  • 1. LED Conversions: Consider upgrading to LED turn signal lights for improved visibility and a modern aesthetic.
  • 2. Advanced Signaling Technologies: Explore advanced signaling technologies, such as smart turn signal systems, for enhanced safety features.
  • 3. Professional Installations: For complex upgrades, it's advisable to seek professional assistance to ensure proper installation and functionality.

Q: Are there routine maintenance practices for turn signal wiring?

  • 1. Regular Inspections: Periodically inspect the turn signal wiring for signs of wear, damage, or corrosion.
  • 2. Clean Connections: Keep connectors clean and free from corrosion to maintain optimal conductivity.
  • 3. Prompt Repairs: Address any issues promptly to prevent further damage and ensure the longevity of the turn signal system.

Keyword:Jeep Cherokee Turn Signal Wiring Diagram.

Related Keywords:Troubleshooting, Wiring Diagram, Upgrades, Electrical Components, Turn Signal, Jeep Cherokee

0 komentar